咨詢電話:15064670092
咨詢電話
15064670092臨朐昌泰機電設備有限公司
臨朐昌泰機電設備有限公司
聯系人:劉經理
手機:13188861223
手機:15064670092
電話:0536-3112711
傳真:0536-3110822
地址:山東臨朐冶源鎮洼子村東100米洼子工業園
網址: m.whhbaby.cn
聯系我們
15064670092
臨朐昌泰機電設備有限公司
山東臨朐冶源鎮洼子村東100米洼子工業園
2019-6-1
1848
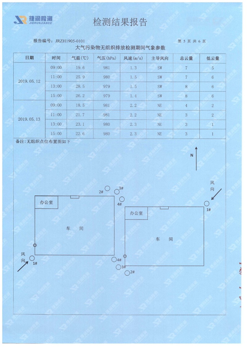
根據《建設項目竣工環境保護驗收管理辦法》(原國家環保總局令第13號)、《建設項目竣工環境保護驗收暫行辦法》、《建設項目竣工環境保護驗收技術指南 污染影響類》(生態環境部公告[2018]9號)的有關規定,臨朐昌泰機電設備有限公司現將年產200臺輸送機項目竣工環境保護驗收監測報告表、其他需要說明的事項等內容公示如下:
項目名稱:年產200臺輸送機項目
建設單位:臨朐昌泰機電設備有限公司
建設地點:山東省濰坊市臨朐縣冶源鎮洼子工業園
建設內容:該項目總占地面積1854平方米,總建筑面積1854平方米,主要為生產車間、辦公室等。項目實際總投資200萬元,其中環保投資5萬元。切割機、鉆床等設備共計23臺(套),具備年產200臺輸送機的生產能力。
公示時間:2019年6月1日—2019年6月31日(20個工作日)




































































公示期間,對上述公示內容有異議,公眾可通過電話、書信等方式進行反饋。
聯系人:劉經理 聯系電話:15064670092